Factory Direct Manufacturer
24/7 Technical Support
Fast Dispatch & Global Shipping
1-Year Warranty & Tested Before Shipping
→ Contact us now
Email: ann@age-power-control.com
💬 WhatsApp: +8618006697926
The LSRQ6000 series represents the new generation of motor starting technology, combining electrical engineering with electronic intelligence. This 5.5KW (7.5HP) soft starter with 11A capacity provides superior motor protection and smooth starting performance for 380V three-phase systems, effectively replacing conventional starting methods.
Multi-Function Protection: Comprehensive motor safeguarding system
Advanced Technology: Integrates electronics, computer tech, and control theory
Smooth Starting: Gentle ramp-up replaces harsh traditional starting
Modern Alternative: Superior replacement for star-delta and auto-transformer starters
Compact Design: Space-efficient solution for various applications
Applications
Motor starting systems requiring smooth acceleration
Replacement for star-delta starter applications
Upgrade from self-coupling voltage-drop starters
Industrial equipment requiring motor protection
Note: Designed as advanced replacement for conventional starting methods. Verify motor specifications match starter ratings before installation.




Welcome to Aigoodele Power Control's resource hub. Here you can download product manuals, technical specifications, and application guides.
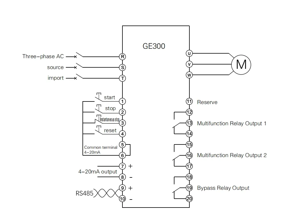
RQ series Soft Starters, including Online, By-pass, Built-in, Module, Cabinet, and Medium Voltage types. Access PDF overviews, demo videos, and user guides for industrial motor control, motor protection, and smooth start applications.
| Product Series | Technical Manual | Wiring Instruction Video | Wiring Application Guide |
|---|---|---|---|
| Online Soft Starter |
RQ6000 Online Soft Starter Manual PDF |
Online Soft Starter User Guide--Come Soon | |
| By-pass Soft Starter | By-pass Soft Starter Manual PDF | By-pass Soft Starter Wiring Tutorial Video | By-pass Soft Starter User Guide--Come Soon |
| Built-in Soft Starter | Built-in Soft Starter Manual PDF | Built-in Soft Starter Wiring--Come Soon | Built-in Soft Starter User Guide--Come Soon |
| Soft Starter Module | Soft Starter Module Manual PDF | Soft Starter Module Wiring Tutorial Video | Soft Starter Module User Guide--Come Soon |
| Soft Start Cabinet | Soft Start Cabinet Manual PDF | Soft Start Cabinet Wiring --Come Soon | Soft Start Cabinet User Guide--Come Soon |
| Medium Voltage Soft Starter | Medium Voltage Soft Starter Manual PDF | Medium Voltage Soft Starter Wiring --Come Soon | Medium Voltage Soft Starter User Guide--Come Soon |
SCR series Thyristor Power Controllers and Voltage Regulator Modules, including SCR, LSCR, TG200, and TG20-G models. Access manuals, wiring instruction videos, and application guides for industrial motor control, power regulation, and precise voltage adjustment.
| Product Model | Technical Manual | Wiring Instruction Video | Wiring Application Guide |
|---|---|---|---|
| SCR Thyristor Power Controller | SCR Thyristor Power Controller Manual PDF |
SCR Power Controller Potentiometer Wiring Video SCR Power Controller Temp Controller Wiring Video
|
SCR Thyristor Power Controller Wiring Application Guide--Come Soon |
| LSCR Voltage Regulator Module | LSCR Voltage Regulator Module Manual PDF | LSCR Voltage Regulator Module Wiring--Come Soon | LSCR Voltage Regulator Module Wiring Application Guide--Come Soon |
| SCR Voltage Regulator Module | SCR Voltage Regulator Module Manual PDF | SCR-3 Voltage Regulator Module Wiring Instruction Video | SCR Voltage Regulator Module Wiring Application Guide--Come Soon |
| TG200 Thyristor Power Controller | TG200 Thyristor Power Controller Manual PDF | TG200 Thyristor Power Controller Wiring--Come Soon | TG200 Thyristor Power Controller Wiring Application Guide--Come Soon |
| TG20-G Thyristor Power Controller | TG20-G Thyristor Power Controller Manual PDF | TG20-G Thyristor Power Controller Wiring Application Guide--Come Soon |
VFD Inverters, including Single Phase 220V→3 Phase and Three Phase 380V models. Access manuals, wiring videos, and guides for industrial motor control, smooth start, and energy-efficient motor applications.
| Product Model | Technical Manual | Wiring Video | Wiring Guide |
|---|---|---|---|
| Single Phase VFD 220V→3 Phase | Single Phase VFD 220V→3 Phase Manual PDF | Single Phase VFD 220V→3 Phase Wiring--Come Soon | Single Phase VFD 220V→3 Phase Wiring Guide--Come Soon |
| Three Phase VFD 380V | Three Phase VFD 380V Manual PDF | Three Phase VFD 380V Wiring Video--Come Soon | Three Phase VFD 380V Wiring Guide--Come Soon |
---
## ⚡ Bridge Rectifier Series
*Technical specifications for our rectifier solutions*
**Product Datasheets**
- Single-Phase Bridge Rectifier Datasheet [Coming Soon]
- Three-Phase Bridge Rectifier Specifications [Coming Soon]
- High Current Rectifier Application Notes [Coming Soon]
---
## 🔌 Solid State Relays (SSR)
*Documentation for our switching solutions*
**SSR Product Documentation**
- Single Phase SSR User Manual [Coming Soon]
- Three Phase SSR Technical Guide [Coming Soon]
- Industrial SSR Specifications [Coming Soon]
---
## 📞 Need Documents?
Looking for specific technical data? Contact our support team for immediate assistance.
**Email:** ann@softstarterpro.com
**WhatsApp:** +86 1800687926
**Response Time:** Within 2 business hours
---
*Document center under construction - more resources coming soon!*
loading