Verify that this model matches your voltage, current, and load type.
Unsure which model is suitable? Our engineering team will confirm the correct model before shipment.
Need custom solutions or a fast project quote? Contact us – we respond within 12 hours.
Contact Us
Email: ann@softstarterpro.com
💬 WhatsApp: +8618006697926
What info is needed for a project quote?
Motor type, voltage, current/power, application, quantity, environment.
Can I order a single unit for testing?
Yes, sample orders available for engineering evaluation.
Do you support custom solutions?
Yes, OEM/ODM and custom control options available.
Lead time & delivery?
Standard: 3-5 working days. Custom: depends on requirements.
Technical support & documentation?
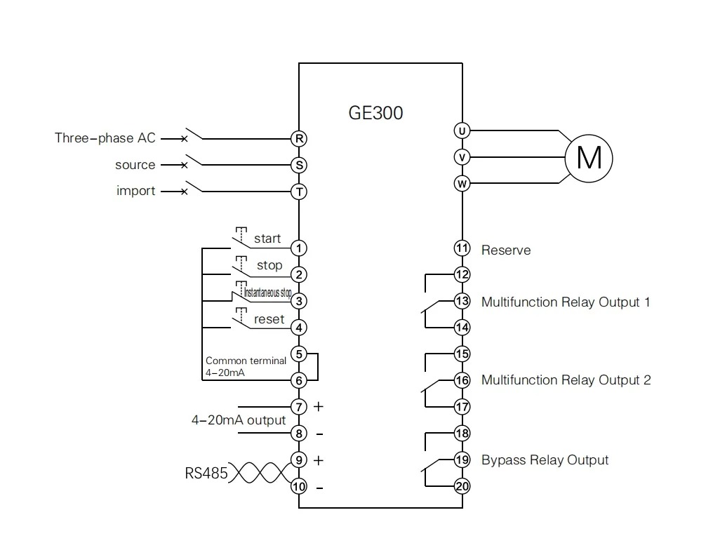
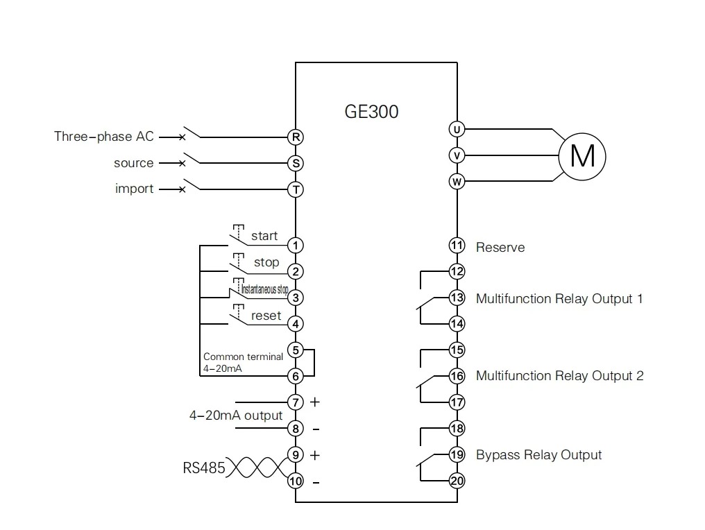
Pre-sales and after-sales support, manuals, diagrams, and wiring guidance provided.
Product Description :
The LSRQ6000 series delivers China factory wholesale advantages for ultra high-power motor control applications. This 500KW (670HP) soft starter with 1000A capacity provides robust starting performance for 380V three-phase systems, combining advanced technology with competitive factory pricing.
China Factory Wholesale: Direct manufacturing with competitive pricing
Ultra High Capacity: 500KW/670HP rating with 1000A current handling
Cost-Effective Solution: Factory-direct pricing for large projects
Quality Manufacturing: Chinese industrial production standards
Bulk Order Advantage: Wholesale benefits for quantity purchases
Applications
Ultra high-power industrial systems
Large-scale infrastructure projects
Factory and plant motor control
Wholesale distribution projects
Note: China factory wholesale pricing available for bulk orders. Maintains quality standards with cost advantages.
loading