The Aigoodele Stud-Mounted Phase Control Thyristor Series delivers reliable and efficient power control for high-current industrial applications. Engineered with a robust stud-type package, these thyristors ensure excellent thermal conductivity, superior surge handling, and long-term stability under demanding conditions.
Available in a wide range of voltage and current ratings, this series supports both standard and metric device versions, allowing seamless integration into AC controllers, motor drives, and regulated power supplies. For critical applications such as military, aerospace, and precision control systems, special models can be supplied with enhanced reliability and certification options.

⚙️ Features
-
High current rating with wide voltage range
-
Excellent dynamic and switching characteristics
-
Superior surge capabilities for industrial-grade performance
-
Stud-mounted structure for efficient heat dissipation
-
Standard and metric versions available
-
Built for long service life and stable operation in harsh environments
🔋 Typical Applications
-
Phase control converters and AC regulators
-
Motor speed and temperature control circuits
-
Battery chargers and regulated power supplies
-
Lighting control and industrial automation systems
-
Military and aerospace-grade power control units
-
General motor drives and power controllers
Model Number Explanation

Notice: If you need metric size or cerainic version, please contact with our technical engineer
Technical Specifications
Below are the standard models and parameters for Aigoodele Standard Recovery Diodes (Stud Type).
You can also request customized voltage or current ratings.
| Type | IT(AV) THS 55°C |
VTM/ITM 25°C |
IT(RMS) | VRRM | IRRM | IGT | VGT | lH | IL | dv/dt | di/dt | Tj | Rjc | M² | Wt | Outline | |
|---|---|---|---|---|---|---|---|---|---|---|---|---|---|---|---|---|---|
| A | V | A | A | V | mA | mA | V | mA | mA | mA | mA | ℃ | °C/W | N/m | kg | ||
| 10RIA | 10 | 1.75 | 30 | 16 | 200-1200 | ≤10 | 10-100 | ≤2.5 | ≤150 | ≤200 | ≥500 | ≥100 |
-40℃ ~ +125℃ |
≤1.8 | ≤2.0 | 0.016 | TO-48 |
| 16RIA | 16 | 1.75 | 48 | 25 | 200-1200 | ≤10 | 10-100 | ≤2.5 | ≤150 | ≤200 | ≥500 | ≥100 | ≤1.5 | ≤2.0 | 0.016 | ||
| 25RIA | 25 | 1.70 | 75 | 40 | 200-1200 | ≤10 | 10-100 | ≤2.5 | ≤150 | ≤200 | ≥500 | ≥100 | ≤1.0 | ≤2.0 | 0.016 | ||
| 40RIA | 40 | 1.95 | 120 | 64 | 200-1200 | ≤12 | 50-200 | ≤2.5 | ≤150 | ≤200 | ≥500 | ≥100 | ≤1.0 | ≤2.0 | 0.022 | TO-65 | |
| 50RIA | 50 | 1.90 | 150 | 80 | 200-1200 | ≤12 | 50-200 | ≤2.5 | ≤150 | ≤200 | ≥500 | ≥100 | ≤0.8 | ≤2.0 | 0.022 | ||
| ST80S | 80 | 1.6 | 240 | 128 | 200-1600 | ≤15 | 50-200 | ≤2.5 | ≤200 | ≤400 | ≥800 | ≥100 | ≤0.6 | ≤12 | 0.160 | TO-94 | |
| ST100S | 100 | 1.6 | 300 | 160 | 200-1600 | ≤15 | 50-200 | ≤2.5 | ≤200 | ≤400 | ≥800 | ≥100 | ≤0.6 | ≤12 | 0.160 | ||
| ST130S | 130 | 1.55 | 390 | 208 | 200-1600 | ≤15 | 50-200 | ≤2.5 | ≤200 | ≤400 | ≥800 | ≥100 | ≤0.55 | ≤12 | 0.160 | ||
| ST150S | 150 | 1.6 | 450 | 240 | 200-1600 | ≤20 | 50-200 | ≤2.5 | ≤200 | ≤400 | ≥800 | ≥100 | ≤0.5 | ≤12 | 0.160 | ||
| ST180S | 200 | 1.75 | 600 | 320 | 200-1800 | ≤20 | 50-200 | ≤2.5 | ≤400 | ≤600 | ≥800 | ≥100 | ≤0.4 | ≤25 | 0.280 | TO-93 | |
| ST230S | 250 | 1.75 | 750 | 400 | 200-1800 | ≤20 | 50-200 | ≤2.5 | ≤400 | ≤600 | ≥800 | ≥100 | ≤0.2 | ≤25 | 0.280 | ||
| ST280S | 280 | 1.70 | 840 | 450 | 200-1800 | ≤25 | 50-200 | ≤2.5 | ≤400 | ≤600 | ≥800 | ≥100 | ≤0.15 | ≤25 | 0.280 | ||
| ST300S | 300 | 1.5 | 900 | 480 | 200-2400 | ≤40 | 50-200 | ≤2.5 | ≤600 | ≤1000 | ≥800 | ≥100 | ≤0.10 | ≤30 | 0.580 | TO-118 | |
| ST330S | 330 | 1.55 | 990 | 530 | 200-2400 | ≤40 | 50-200 | ≤2.5 | ≤600 | ≤1000 | ≥800 | ≥100 | ≤0.07 | ≤30 | 0.580 | ||
| ST350S | 350 | 1.6 | 1050 | 560 | 200-2400 | ≤40 | 50-200 | ≤2.5 | ≤600 | ≤1000 | ≥800 | ≥100 | ≤0.06 | ≤30 | 0.580 | ||
Can’t find the exact rating you need? Contact us for detailed datasheets or customized solutions.
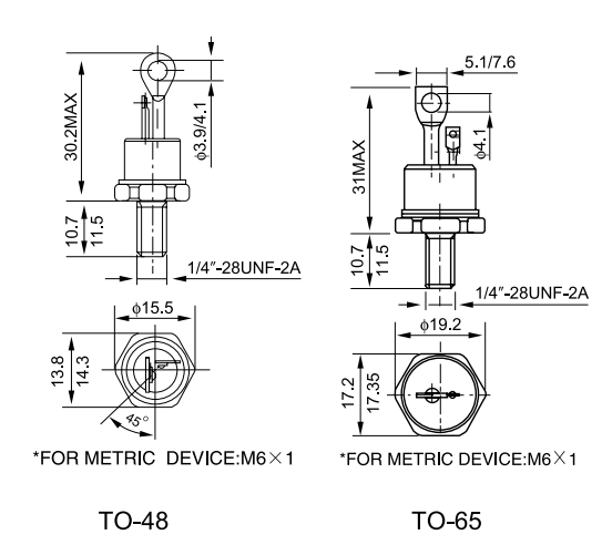
Diode Stud Version Outline
For complete mechanical drawings and thermal characteristics, please download the full catalogue below.
Download Technical Catalogue (PDF)
🔹 15 Years Manufacturing Experience
🔹 OEM/ODM Available
🔹 Global Clients in 30+ Countries
🔹 100% Tested Before Shipment
Ready to get started?
Discuss your project or get an official quotation today.
📩 Request a Quote 🟢 Contact Us Now
Related Products
-
High Current Bridge Rectifier
-
Fast Recovery Diode
-
SCR Module


