Features
-
Advanced internal feedback circuit ensures excellent linearity, stable voltage performance, and strong resistance to high voltage, high current, and high temperatures.
-
Fully isolated weak and strong current circuits provide enhanced safety and reliable control performance.
-
Suitable for a wide range of automated control applications, including chemical processing, food machinery, packaging equipment, textile machinery, CNC machine tools, entertainment equipment, and other industrial automation systems.
| Model | SCR-3 380V | |||
| Module Type | Three-phase | |||
| Load Current (Optional) | 10A,25A,40A,60A,80A,100A,120A,150A,200A | |||
| Load Voltage | 380±15%VAC | |||
| Ambient Temperature | -20ºC~+75ºC | |||
| Control Mode (Optional) | 0-5VDC, 0-10VDC,4-20mA,10K | |||
| On Voltage | ≤2V | |||
| Off Leakage Current | ≤10mA | |||
| On-off Time | ≤10mS | |||
| Dielectric Strength | 2000VAC | |||
| Certification | CE | |||
| Insulation Resistance | 500MΩ/500VDC | |||
| Mounting Method | Bolted | |||
| Work Instruction | LED | |||



|
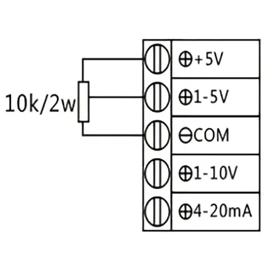
10k Manual Control input |
Manual Potentiometer ControlThe module provides a built-in 5V supply for use with a 10KΩ potentiometer. |
|
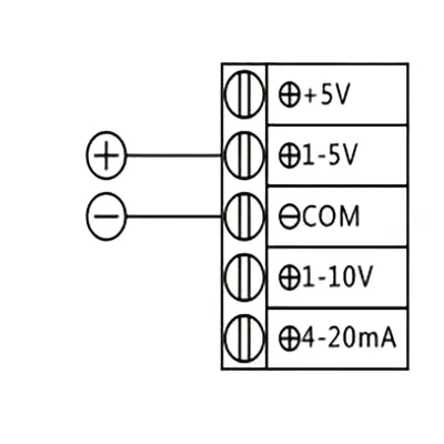
0-5VDC/1-5VDC Control input |
0–5V DC ControlAccepts 0–5V analog signals from a microcontroller. |
|
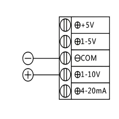
0-10VDC/2-10VDC Control input |
0–10V DC ControlAccepts 0–10V analog signals from PLCs or other controllers. |
|
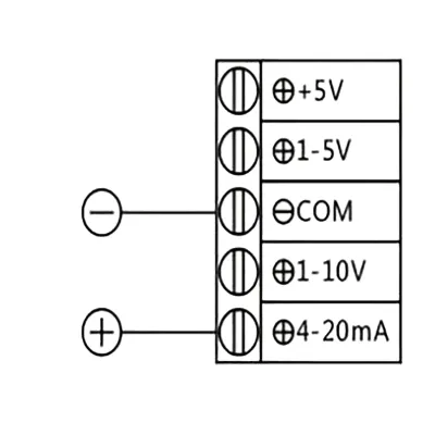
4-20mA Control input |
4–20mA ControlAccepts a 4–20mA analog signal from instruments such as temperature controllers. |
Key Notes for Using SCR AC Regulator Modules
-
Correct Polarity: All function terminals must remain positive relative to the COM terminal (negative). Reversed polarity may cause uncontrolled output. A higher control voltage results in a higher main-circuit output.
-
Control Mode Switching: If both automatic (e.g., 4–20 mA) and manual (e.g., 0–5 V) controls are needed, use a double-throw switch to select the mode. When multiple control signals are input simultaneously, the stronger signal will dominate.
-
Proper Main Circuit Wiring: Ensure the live (L) and neutral (N) wires are correctly connected. The grid voltage must not be lower than the minimum operating voltage required by the load.
-
Load Limits:
-
Resistive loads ≤ 60% of rated current
-
Inductive or capacitive loads ≤ 40%
-
Motor loads ≤ 20%
-
-
Overcurrent Protection: Overcurrent and short circuits are major causes of irreversible thyristor failure. Always use fast-acting fuses, air switches, or other protective devices.
-
Adequate Heat Dissipation: Install a proper heat sink and enhance cooling in poor ventilation. Never operate the module directly with any short-circuit load.



